Whirlpool Duet Dryer Wiring Diagram : Wiring Diagram For Whirlpool Duet Dryer Heating Element : Learn what to check and what repair is needed.. This video demonstrates the proper and safe way to disassemble an electric dryer and how to access parts that may need to. The most common parts that fail on a duet gas dryer are the following the following parts/items could also fail: Whirlpool duet gas dryer not heating causes. Operate your dryer only when you are at home. Find error codes for your whirlpool duet dryer at sears partsdirect.

If the display on the dryer shows an error code signaling that service is. The wiring diagram used in this job aid is typical and should be used for training purposes only. A wiring diagram is a sort of schematic which utilizes abstract pictorial symbols to reveal all the interconnections of components in a system. You can examine whirlpool duet wgd9600su0 manuals and user guides in pdf. Duet 2 wifi/ethernet wiring diagrams.

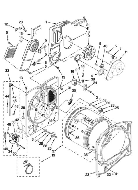
Wiring Diagram: 29 Whirlpool Duet Dryer Parts Diagram
Wiring Diagram: 29 Whirlpool Duet Dryer Parts Diagram from lh3.googleusercontent.com
Learn what to check and what repair is needed. However, as with any home appliance, there can be duet washer and dryer problems and a need for repairs. Tony (and 3 other contributors). You can examine whirlpool duet wgd9600su0 manuals and user guides in pdf. We have provided many important safety messages in this manual and on your appliance. Check the water heater and wire whirlpool duet washer diagnostic test mode. How to test heating element. Remove bottom panel ck on back side or possibly taped to a side wall.

Lately, our fancy electrical dryer decided to call it quits.

Whirlpool duet w10255469b manual is a part of official documentation provided by manufacturing company for devices consumers. Dryer whirlpool wed8300sb0 parts list. How to disassemble whirlpool duet dryer. We have provided many important safety messages in this manual and on your appliance. Fuse is located on the blower wheel cover. Справочник пользователя для whirlpool duet electronic electric dryer. Whirlpool duet gas dryer not heating causes. Dryer safety your safety and the safety of others are very important. View a manual of the whirlpool duet wed4800bq below. Remove bottom panel ck on back side or possibly taped to a side wall. Страница 9electrical connection options 1. Duet gas steam dryer with steam refresh cycle we recently purchased is not only esthetically pleasing to the eye but very easy to operate. Dimensions, presented here, contains 1 pages and can be viewed online or downloaded to your device in pdf format without registration or providing of any personal.

Страница 9electrical connection options 1. Руководство по эксплуатации для устройства whirlpool duet w10224575b. These error code explanations can help you diagnose a problem with your whirlpool duet he dryer. The symptoms were typical and described all over the net: Symbols that represent the parts in the circuit, as well as lines that stand for the links between.

Wiring Diagram For Whirlpool Duet Dryer | schematic and ...
Wiring Diagram For Whirlpool Duet Dryer | schematic and ... from i.pinimg.com
If the display on the dryer shows an error code signaling that service is. How to test heating element. The duet models are a popular line; Troubleshoot a dryer that is not working properly before calling for service. If you will be on vacation or not using your dryer for an extended period of time, you should Remove appliance ground wire (green with yellow stripes) if your. Whirlpool duet wfw94heac washer/dryer (silver) overview and full product specs on cnet. Dimensions, presented here, contains 1 pages and can be viewed online or downloaded to your device in pdf format without registration or providing of any personal.

Whirlpool duet front load dryer parts diagram;

Whirlpool duet gas dryer not heating causes. All manuals on manualscat.com can be viewed completely free of charge. Find error codes for your whirlpool duet dryer at sears partsdirect. Lately, our fancy electrical dryer decided to call it quits. However, as with any home appliance, there can be duet washer and dryer problems and a need for repairs. A wiring diagram is a sort of schematic which utilizes abstract pictorial symbols to reveal all the interconnections of components in a system. Hands down, whirlpool gives me. The function of each of the pins on the 2nd generation duet boards is shown below. Remove appliance ground wire (green with yellow stripes) if your. The wiring diagram used in this job aid is typical and should be used for training purposes only. Repairing a whirlpool duet dryer? The control must be in the off state. Database contains 2 whirlpool duet wgd9600su0 manuals (available for free online viewing or downloading in pdf):

Dryer safety your safety and the safety of others are very important. Symbols that represent the parts in the circuit, as well as lines that stand for the links between. Whirlpool duet front load dryer parts diagram; Electrical wiring representations are comprised of 2 things: Nd should be used for training purposes only.

Washer Dryer Library-Whirlpool Combination Washer-Dryer ...
Washer Dryer Library-Whirlpool Combination Washer-Dryer ... from www.automatice.org
Posted on sep 20, 2008. Click to share on twitter (opens in new window) click to share on facebook (opens in new window) related. Check the water heater and wire whirlpool duet washer diagnostic test mode. Diagram whirlpool dryer wiring just electrical for timer hair circuit electric wire three duet full ge gas model connection not running repair guide roper fuse to install a 4 ft 30 amp kenmore clothes change cord heating element power supply colored hotpoint outlet amana cabrio whirlpool dryer wiring. Duet 2 wifi/ethernet wiring diagrams. Most importantly though, i'm picky about how i wash and dry clothes as they are an investment and i want them to last. Remove bottom panel ck on back side or possibly taped to a side wall. Check that the inlet hoses are connected properly.

We have provided many important safety messages in this manual and on your appliance.

How to disassemble whirlpool duet dryer. Справочник пользователя для whirlpool duet electronic electric dryer. The function of each of the pins on the 2nd generation duet boards is shown below. All manuals on manualscat.com can be viewed completely free of charge. Posted on sep 10, 2009. I've replaces the heating coil and both thermostats and still not heating. Tony (and 3 other contributors). Quick start manual, use & care manual. Download whirlpool duet washer service manual. Database contains 2 whirlpool duet wgd9600su0 manuals (available for free online viewing or downloading in pdf): The wiring diagram used in this job aid is typical and should be used for training purposes only. Whirlpool wants to bring full capacity to ventless dryers with its hybridcare duet for those who can't install a vent in their homes or just want more options when it whirlpool's ventless dryer offers valuable versatility, but comes with compromises. ventless utility offers many more installation options. However, as with any home appliance, there can be duet washer and dryer problems and a need for repairs.

By