Chevy Cavalier Headlight Wiring Diagram : Headlight Wiring Diagram 2000 Cavalier Wiring Diagram For 140 International Bege Wiring Diagram - And would like to share them, please send to chevymanuals@yahoo.com.. Ignition switch (the radio harness does not provide a switched power source. Chevrolet aveo headlamp height adjustment system. With the possibility of sports riding on rough terrain, 8 seats and a weight of about 1.5 tons, he laid the foundation for the. 2006 chevy cobalt engine diagram best wiring library chevy 2 4 ecotec engine diagram wiring diagram online rh 11 ccainternational de 06 che. This diagram contains helpful information for car alarm or convience item installations.

Product fit was okay plastic broke on install on driver headlight i am writing this review after almost 2 years and have to replace them both again because the wiring has melted causing it to ground out i was initially happy with the product but. Lacetti ignition switch circuit diagram. There are two hot wires going to the headlights and a lot of people try to rob power from one and power the other headlight. Pull the lights on dim. The manual can be bought from an auto parts, the dealer, or some.

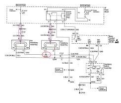
99 Cavalier Headlight Wiring Diagram 1999 Honda Cr V Exterior Fuse Box Pipiiing Layout Yenpancane Jeanjaures37 Fr
99 Cavalier Headlight Wiring Diagram 1999 Honda Cr V Exterior Fuse Box Pipiiing Layout Yenpancane Jeanjaures37 Fr from repairguide.autozone.com
View and download chevrolet 1994 cavalier owner's manual online. Lacetti ignition switch circuit diagram. If you want to troubleshoot a headlight problem in your chevrolet siverado, you'll need this headlight wiring when you turn on the headlights, the headlight switch passes battery voltage through the headlight switch to the bcm. You could originate from an internet search engine, then find this site. Touch the red lead to one of the wires. 800 x 600 px, source: Free download workshop manuals for chevrolet cars, repair and maintenance, wiring diagrams, schematics diagrams, fault codes. 1989 chevy truck wiring diagram | my wiring.

I am trying to wire the headlights on an 81 chevy 1 ton pickup.

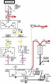
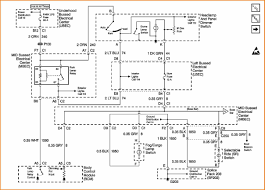
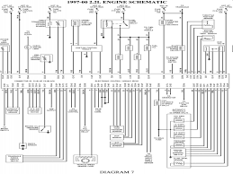
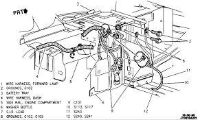
A wiring plug diagram for 2003 chevy cavalier spark plug wires is located in the service manual. Power windows and other power options. I have a 2002 cavalier 2.2 motor ( daughter car ) she stop at the store and when she came out it started and go in any gear but wont go any were. Chevrolet chevy ii nova electrical wiring diagram 254 kb. 800 x 600 px, source: The manual can be bought from an auto parts, the dealer, or some. The chevrolet cavalier cd player wiring diagram shows the beginning location of each wire and the ending location of each wire. Lacetti ignition switch circuit diagram. 2000 chevrolet cavalier car stereo radio wiring diagram car radio constant 12v+ wire: The headlight wiring is protectedby a circuit breakerin the fuseblock. Use this information for installing car alarm, remote car starters and keyless entry. Led head light install on 03 cavalier. View and download chevrolet 1994 cavalier owner's manual online.

Could someone please give me a wiring diagram showing which color wires are on the parking and blinker bulbs?. I have a 2002 cavalier 2.2 motor ( daughter car ) she stop at the store and when she came out it started and go in any gear but wont go any were. Silverstar zxe halogen bulbs feature a bulb chamber that combines. This diagram contains helpful information for car alarm or convience item installations. A wiring plug diagram for 2003 chevy cavalier spark plug wires is located in the service manual.

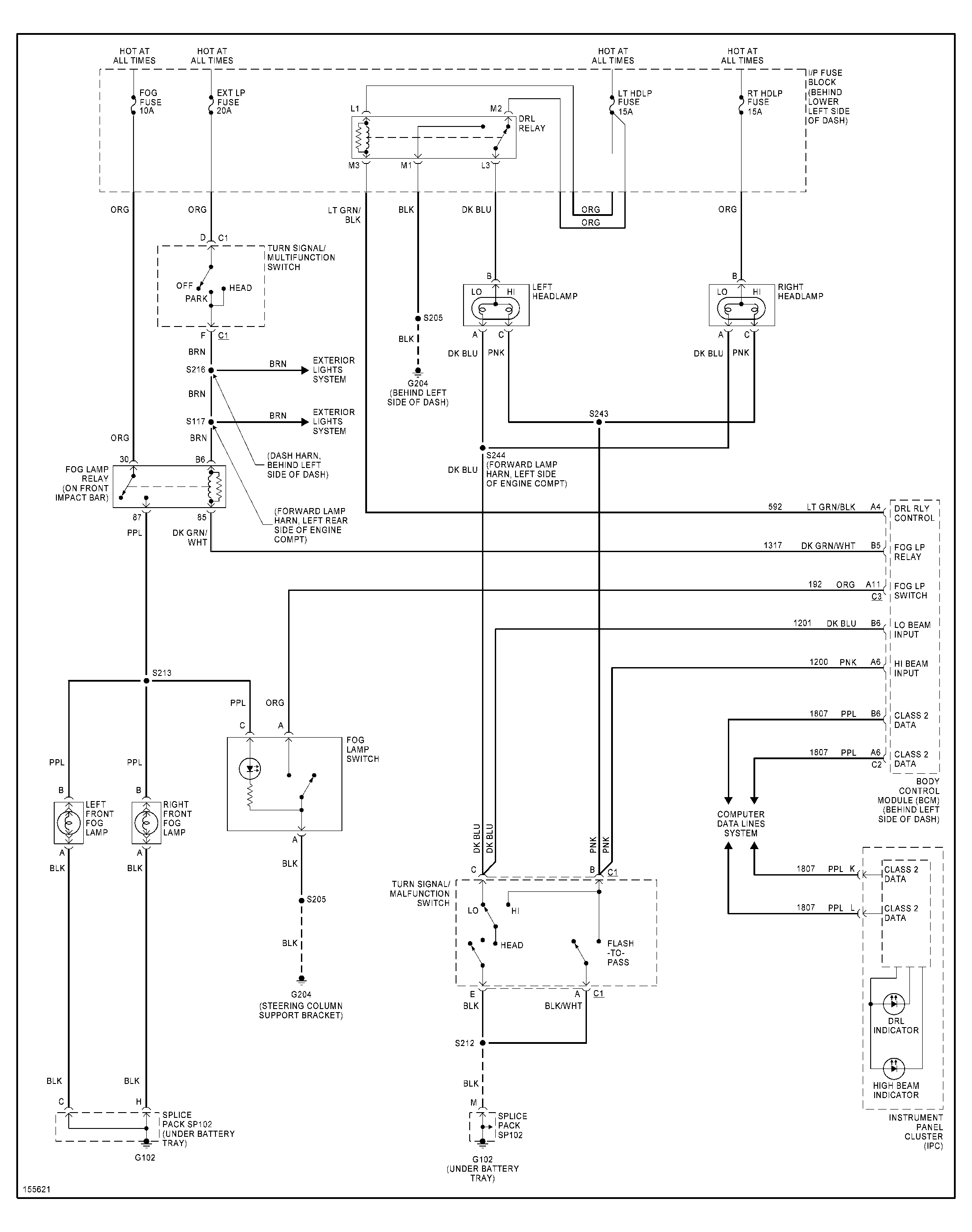
High Beam Headlights Not Working Electrical Problem 4 Cyl Two
High Beam Headlights Not Working Electrical Problem 4 Cyl Two from www.2carpros.com
The chevrolet cavalier cd player wiring diagram shows the beginning location of each wire and the ending location of each wire. 1992 chevrolet cavalier j body engine control wiring diagram 114 kb. Free download workshop manuals for chevrolet cars, repair and maintenance, wiring diagrams, schematics diagrams, fault codes. The headlights have the standard 3 prong sockets. Cobalt this sporty compact was faced with the difficult job of replacing the popular cavalier, but whether the base model, or the supercharged ss is chosen, is has made for a great. 1955 chevrolet car wiring diagrams 3 mb. Wheel loader service repair workshop manual , free vehicle repair manuals for 2002 chevy impala ignition switch , rheem criterion gas furnace manual , 2011 honda odyssey navigation manual , vw golf jetta model 96 service and repair manual. If you want to troubleshoot a headlight problem in your chevrolet siverado, you'll need this headlight wiring when you turn on the headlights, the headlight switch passes battery voltage through the headlight switch to the bcm.

A wiring plug diagram for 2003 chevy cavalier spark plug wires is located in the service manual.

But before you tear anything apart and find yourself in over your head, take these tips to heart. If you have quad headlights, you'll have 2 bulbs for lighting in each headlight assembly. Chevrolet chevy ii nova electrical wiring diagram 254 kb. 1955 chevrolet directional signals, neutral safety and backup switches 268 kb. Could someone please give me a wiring diagram showing which color wires are on the parking and blinker bulbs?. 1992 chevrolet cavalier j body engine control wiring diagram 114 kb. Chevrolet aveo headlamp height adjustment system. There are two hot wires going to the headlights and a lot of people try to rob power from one and power the other headlight. 1989 chevy truck wiring diagram | my wiring. I have a 2002 cavalier 2.2 motor ( daughter car ) she stop at the store and when she came out it started and go in any gear but wont go any were. Power windows and other power options. View and download chevrolet 1994 cavalier owner's manual online. Clip the black lead to the chassis;

The chevrolet cavalier cd player wiring diagram shows the beginning location of each wire and the ending location of each wire. Whether your an expert chevrolet cavalier mobile electronics installer, chevrolet cavalier fanatic, or a novice chevrolet cavalier enthusiast with a 2003 chevrolet cavalier, a car stereo wiring diagram can save yourself a lot of time. Automotive wiring in a 2003 chevrolet cavalier vehicles are. I just need the diagram of the battery wiring system for a 97 chevy cavalier 2.2 l. 2000 chevrolet cavalier car stereo radio wiring diagram car radio constant 12v+ wire:

Stock Dodge Ram Headlight Wiring Wiring Diagram Data Sit Diffuse Sit Diffuse Caffenerobollente It
Stock Dodge Ram Headlight Wiring Wiring Diagram Data Sit Diffuse Sit Diffuse Caffenerobollente It from www.justanswer.com
Lacetti ignition switch circuit diagram. Lacetti scheme of starting the engine and charging the battery. Silverstar zxe halogen bulbs feature a bulb chamber that combines. With the possibility of sports riding on rough terrain, 8 seats and a weight of about 1.5 tons, he laid the foundation for the. Touch the red lead to one of the wires. 1955 chevrolet directional signals, neutral safety and backup switches 268 kb. Orange car radio switched 12v+ wire: The manual can be bought from an auto parts, the dealer, or some.

Chevy cavalier 2004, replacement headlight by alzare®.

I just need the diagram of the battery wiring system for a 97 chevy cavalier 2.2 l. Free download workshop manuals for chevrolet cars, repair and maintenance, wiring diagrams, schematics diagrams, fault codes. Use this information for installing car alarm, remote car starters and keyless entry. Chevrolet aveo headlamp height adjustment system. 9 out of 10 based on 982 ratings. I have a 2002 chevy cavalier need help please 1 answer. Clip the black lead to the chassis; Portable network image format 28.6 kb. Lacetti ignition switch circuit diagram. Chevrolet chevy ii nova electrical wiring diagram 254 kb. Here's the headlight wiring diagram for a chevrolet silverado with drl. With the possibility of sports riding on rough terrain, 8 seats and a weight of about 1.5 tons, he laid the foundation for the. A wiring plug diagram for 2003 chevy cavalier spark plug wires is located in the service manual.

By